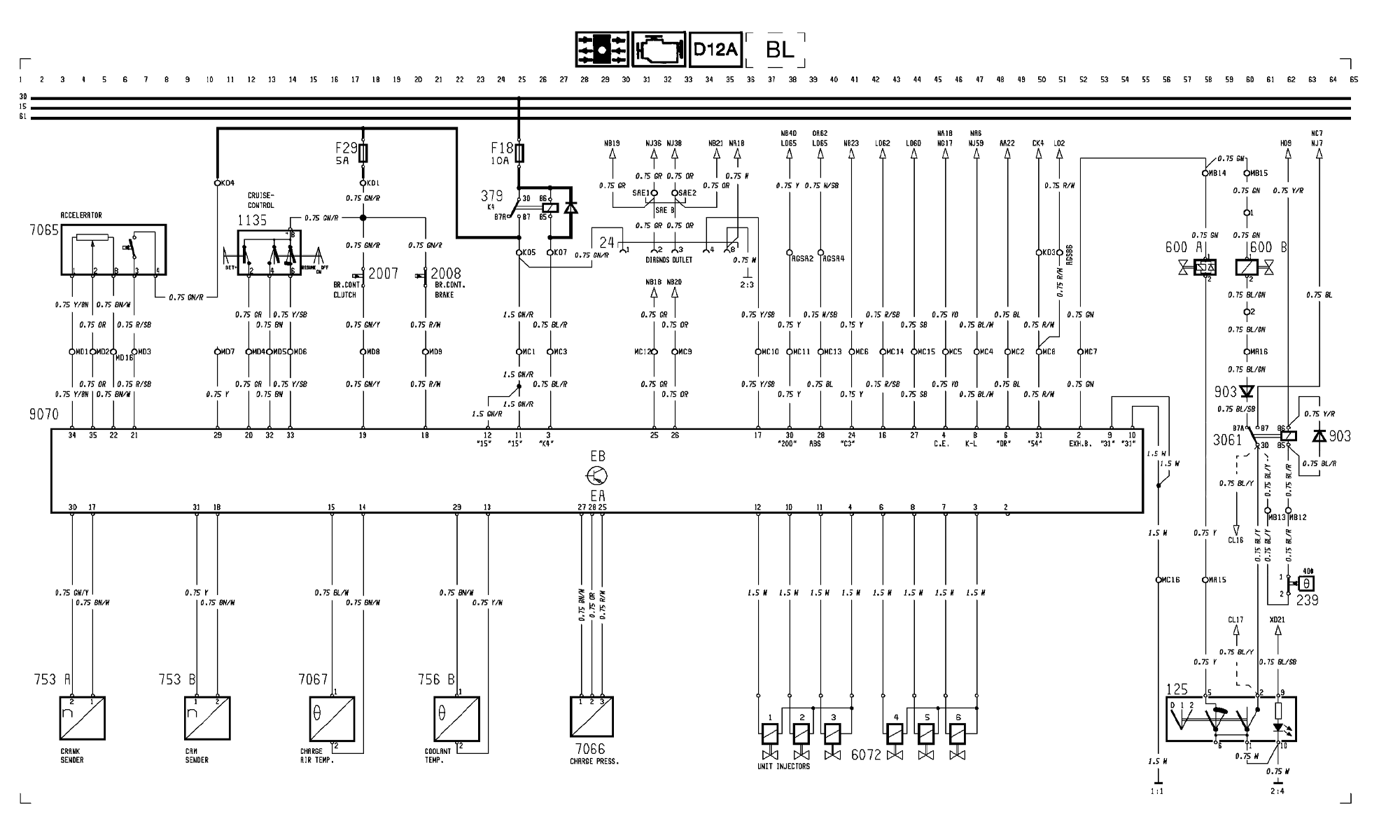
Схема Вольво ФШ12.

7065 - педаль акслелератор.
1135 - круиз-контроль.
2007- прерыватель педаль сцепление.
2008 - прерыватель педаль тормоза.
600А - электромагнитный клапан тормоза отработавших газов.
600B - электромагнитный клапан тормоза отработавших газов.
239 - тепловой прерыватель контакта.
125 - переключатель тормоза отработавших газов.
6072 - форсунки.
7066 - датчик давления наддува.
756B- датчик температуры охлаждающей жидкости.
7067 - датчик температуры наддува.
753B- датчик частоты вращения коленчатого вала.
753A - датчик частоты вращения распредвала.
9070 - электронный блок управления двигателем.
Узнать о эмуляторах AdBlue здесь. Мы оказываем отключение мочевины 2 способами, интересно? Вам сюда.
